
Revan Teknoloji olarak, her ölçekte ve zorluk seviyesinde PCB Tasarımı alanında güçlü bir uzmanlığa sahibiz. Endüstriyel projelerde çok katmanlı, yüksek dayanımlı ve zorlu saha koşullarına uygun kontrol kartları tasarlıyor; prototip ve küçük ölçekli projelerde ise kompakt, maliyet-etkin ve hızlı üretilebilir kart çözümleri sunuyoruz.

Motor ve sensör kontrolü gerektiren sistemler için; dolum, etiketleme ve tartım makineleri gibi farklı uygulamalara özel, yüksek hassasiyetli ve kararlı çalışan kontrol kartları üretiyoruz. Yalnızca kart tasarlamakla kalmıyor; bu kartların üzerinde çalışan donanım ve gömülü yazılımı da tamamen entegre şekilde geliştiriyoruz. Böylece müşterilerimize sahada doğrudan kullanılabilir, optimize edilmiş ve uzun ömürlü çözümler sunuyoruz.
Revantechnology’nin PCB Tasarımı için belirtilen aşamalar şunlar:
Her şey müşterinin ihtiyaçlarını anlamakla başlar. Devrenin hangi amaçla kullanılacağı, çalışma gerilimi, akımı, kartın fiziksel ölçüleri ve çevresel koşullar titizlikle değerlendirilir. Bu analiz, projenin temel taşını oluşturur; çünkü endüstriyel bir cihaz için tasarlanan PCB ile bir prototip cihaz için hazırlanan PCB aynı standartlara ve önceliklere sahip değildir. Endüstriyel uygulamalarda dayanıklılık, uzun ömür ve güvenlik ön plandayken, prototip devrelerde esneklik ve hızlı test edilebilirlik öncelik kazanır. Bu aşama doğru şekilde tamamlanmadığında, sonraki tasarım ve üretim adımlarında ciddi revizyonlar yapılması gerekebilir; maliyet artışı, zaman kaybı ve performans sorunları ortaya çıkabilir. Bu nedenle ihtiyaçların en ince detayına kadar anlaşılması ve belgelenmesi, başarılı bir PCB tasarım sürecinin vazgeçilmez adımıdır.
Elektronik devre şeması, CAD yazılımlarıyla hazırlanır. Direnç, kondansatör, entegre, mikrodenetleyici gibi komponentlerin birbirleriyle olan bağlantıları çizilir. Bu şema, PCB’nin kalbidir. Yanlış çizilen bir bağlantı, üretim sonrası kartın çalışmamasına yol açar. Bu nedenle bu aşamada hem doğrulama hem de simülasyon yapılması önemlidir.

Şemadan sonra sıra, komponentlerin baskı devre kartı üzerindeki fiziksel yerleşimine gelir. Güç bileşenlerinin birbirine yakın olması, sinyal hatlarının kısa tutulması, ısı üreten parçaların uygun yerlere konması kritik detaylardır. İyi bir yerleşim, hem cihazın kararlılığını hem de üretim kolaylığını sağlar.

PCB kartları tek katlı olabileceği gibi çift katlı veya çok katlı da olabilir. Küçük cihazlarda alan tasarrufu için çok katlı PCB tercih edilir. Bu aşamada sinyal yolları çizilir, güç ve toprak hatları için geniş yüzeyler ayrılır. Yüksek frekanslı devrelerde özel kurallara dikkat edilir; aksi halde parazit sorunları oluşabilir.
Tasarım tamamlandığında 3D önizleme ile kartın son hali incelenir. Bu aşama, kartın mekanik olarak kasaya uyup uymadığını görme imkânı verir. Ayrıca montaj sırasında komponentlerin birbiriyle çakışıp çakışmadığı da kontrol edilir. 3D kontrol, üretim hatalarını en aza indiren önemli bir adımdır.

Üretim için en kritik aşama Gerber dosyalarının hazırlanmasıdır. Gerber, PCB üreticisinin anlayacağı standart dosya formatıdır. Bu dosyalarda bakır yollar, deliklerin yerleri, yazılar ve işaretler bulunur. Gerber dosyaları olmadan hiçbir PCB üreticisi kartınızı üretemez.
Gerber dosyaları üreticiye gönderilir. Üretim süreci, kullanılacak malzeme kalınlığı, bakır kaplama miktarı ve yüzey kaplama tipine göre değişir. Prototip üretimi birkaç gün sürebilirken seri üretim haftalar alabilir. Bu aşamada üretici ile doğru iletişim kurmak, tasarımın hatasız şekilde karta aktarılmasını sağlar.
Üretilen kartın üzerine elektronik komponentler lehimlenir. Bu aşama manuel yapılabileceği gibi endüstriyel makinelerle de yapılır. Ardından devreye enerji verilerek tüm fonksiyonların doğru çalışıp çalışmadığı test edilir. Test aşaması, kartın uzun vadeli güvenilirliği için çok önemlidir.
Profesyonel bir PCB tasarımı, yalnızca birkaç çizimden ibaret değildir. İhtiyaçların doğru analiz edilmesi, şemanın özenle hazırlanması, komponentlerin doğru şekilde yerleştirilmesi ve üretim sonrası yapılan testler, baskı devre kartının kalitesini doğrudan belirler. İyi planlanmış bir PCB, cihazların verimliliğini artırır, hata riskini en aza indirir ve uzun ömürlü kullanım sağlar.
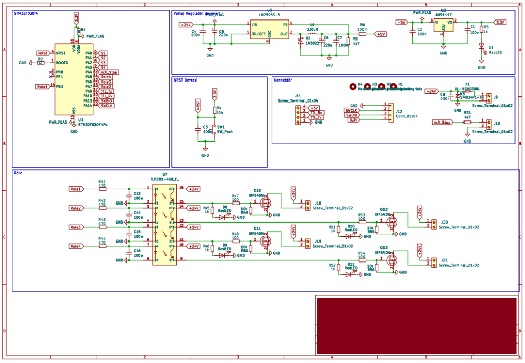
Aşağıdaki görselde de görüldüğü üzere; şematik tasarım, yerleşim planı ve 3 boyutlu önizleme aşamalarının tamamlanmasının ardından üretilen kartımız, şu anda makinelerde sorunsuz bir şekilde çalışmaktadır.

🔗 Lütfen Bizimle İletişim Kurmaktan Çekinmeyin:
WhatsApp: +90 543 735 31 75
☎️ Sabit Hat: +90 212 890 49 18
✉️ E-Posta: info@revantechnology.com